144-Strand MTP Brand-MTP Brand Backbone Cable
The Chameleon 144 Fiber MTP Brand Trunking Cable provides a high density fiber distribution solution to the space conscious data center manager. As storage solutions and fiber management needs grow, data center space becomes more and more precious.
In the Chameleon Trunking Cable, two 72 Fiber MTP brand cables are packaged together in a single “shotgun” style jacket, making the cable flexible given the fiber density. Less bulk means more airflow, more manageability, less headaches.
Each cable is intended to plug into the back of a Chameleon High Volume Cassette Module for maximum bandwidth. The trunk and cassette module, when combined with our patent pending patching system, eliminates crosstalk amongst fibers so you can be sure your data will not be corrupted due to interference.
Cross-Section Diagram

Diagrammed above is the cross section of the two cables. Each cable jacket has a diameter of 6.3mm, 72 optical fibers, aramid yarn, and an inner jacket. The assembly measures approximately 14.6mm including the “shotgun” overall jacket.
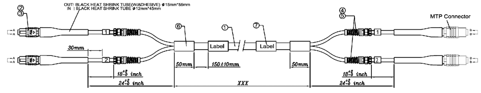
View the MTP Harness Assembly Drawing here

Nanocore Cross Section

72-Fiber Plenum Microcore Trunk

The above represents typical distribution in the back of the chassis. The strain relief modules for each cable are secured into place on each side using specialized brackets.
A strain relief module is provided with each 72 fiber branch allowing for easy cable management. The Chameleon chassis allows cables to be fed in from the top, bottom, sides, or the back and secured with brackets engineered especially for this purpose. The brackets isolate the strain relief modules and route the cable directly to the MTP brand cassettes. Due to the maximum bend radius of the cable, in high‐density solutions this configuration is a necessity.
Pictured to the right are the strain relief modules that are prefabricated around the cable. They can be moved along each branch depending on your application. They allow the cable to be distributed with ease while maintaining secure cable routing.
72-Strand MTP Brand-MTP Brand Backbone Cable
Fibers: 72 Total- 6.33 mm shotgun jacket
Typical Insertion Loss (Backbone): < 0.55 dB
Typical Insertion Loss (Distribution): < 0.20 dB
"...Less bulk means more airflow, more manageability, less headaches."
72-Strand MTP Brand-MTP Brand Backbone Cable
In the Chameleon 72-strand Trunking Cable, one 72 Fiber MTP brand cable is packaged in a “shotgun” style jacket, making the cable flexible given the fiber density. Each cable is intended to plug into the back of a Chameleon High Volume Cassette Module for maximum bandwidth. The trunk and cassette module, when combined with our patent pending patching system, eliminates crosstalk amongst fibers so you can be sure your data will not be corrupted due to interference.
Optical Specs (100% Interferometer Tested)
| |
72-Fiber (Backbone) |
12-Fiber (Distribution) |
| |
Typical |
Maximum |
Typical |
Maximum |
| Insertion Loss |
< 0.36 dB |
< 0.60 dB |
< 0.20 dB |
< 0.50 dB |
| Results included for each serialized assembly |
Sample Reading
| PASS |
Max. Diff. Height All Fib. (nm) |
645 |
| X Endface Angle (°) |
0.136 |
Max. Diff. Height Adj. Fib. (nm) |
357 |
| Y Endface Angle (°) |
-0.215 |
Flatness Deviation (nm) |
-829 |
| X ROC (mm) |
8450 |
Max. Core Dip (nm) |
-77 |
| Y ROC (mm) |
420 |
Valid Pixels Ration (%) |
56 |
| Results may vary. |